首   页
 
关于诺果
 
产品介绍
 
客户服务
 
质量保证
 
技术中心
 
资料下载
 
成功案例
 
联系我们
 
产品介绍 /Products

系列化产品
NGC-系列储液罐
NGH-系列换热器
NG-SYB-系列手动补液泵
NG-BYC-系列补液车
NG-XF-系列旋风分离器
NG-SJ-系列流动视镜
NG-ZJ-系列安装支架
补液漏斗
成套产品
PLAN52方案的配置
PLAN53A方案的配置
PLAN53B方案的配置
NGH-系列换热器的配置
代理产品
代理销售的产品


 


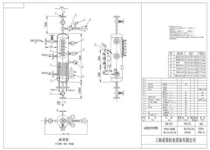
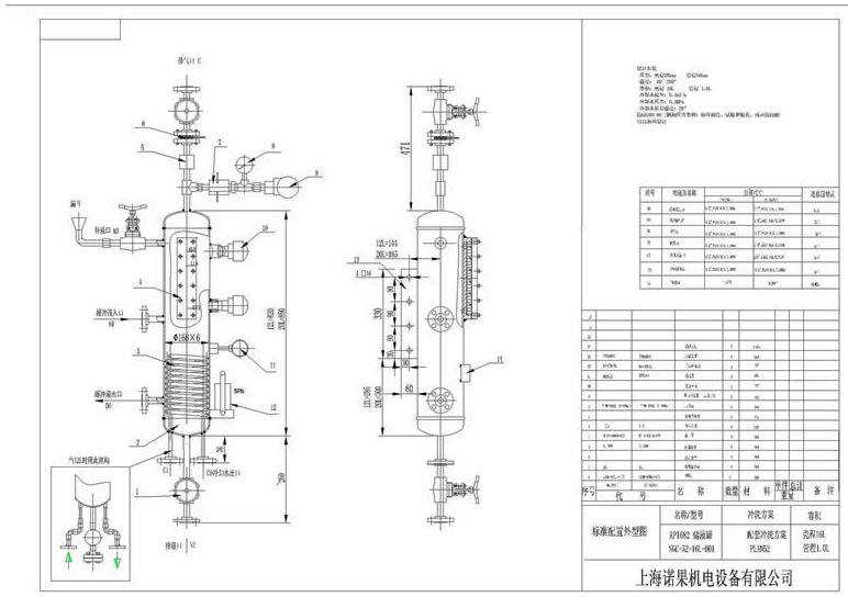
  您现在的位置>>产品介绍>>PLAN52方案的配置
         
PLAN52方案的配置
配置:
a) 9L、12L或20L的NGC系列储罐,材料304SS、316或316L;
b) 冷却盘管;
c) 液位视窗;
d) 压力表;
e) 压力开关或压力变送器;
f) 针型阀组;
g) 加液阀、排气阀、排液阀;加液泵(可选);
h) 排气孔板;
i) 液位开关(高/低)或液位变送器;
j) 法兰或螺纹接口;
k) 压力容器证(可选)。
应用实例 标准裸罐外形图
         
 


 
版权所有 2017 上海诺果机电设备有限公司 沪公网安备31011602001405号
地址:上海市金山区山阳镇山富东路55弄1号-2
电话:+86-21-34140781   +86-21-33619020   +86-21-33610782 传真:+86-21- 34140782 技术支持:奥韵广告

沪公网安备31011602001405号