首   页
 
关于诺果
 
产品介绍
 
客户服务
 
质量保证
 
技术中心
 
资料下载
 
成功案例
 
联系我们
 
产品介绍 /Products

系列化产品
NGC-系列储液罐
NGH-系列换热器
NG-SYB-系列手动补液泵
NG-BYC-系列补液车
NG-XF-系列旋风分离器
NG-SJ-系列流动视镜
NG-ZJ-系列安装支架
补液漏斗
成套产品
PLAN52方案的配置
PLAN53A方案的配置
PLAN53B方案的配置
NGH-系列换热器的配置
代理产品
代理销售的产品


 


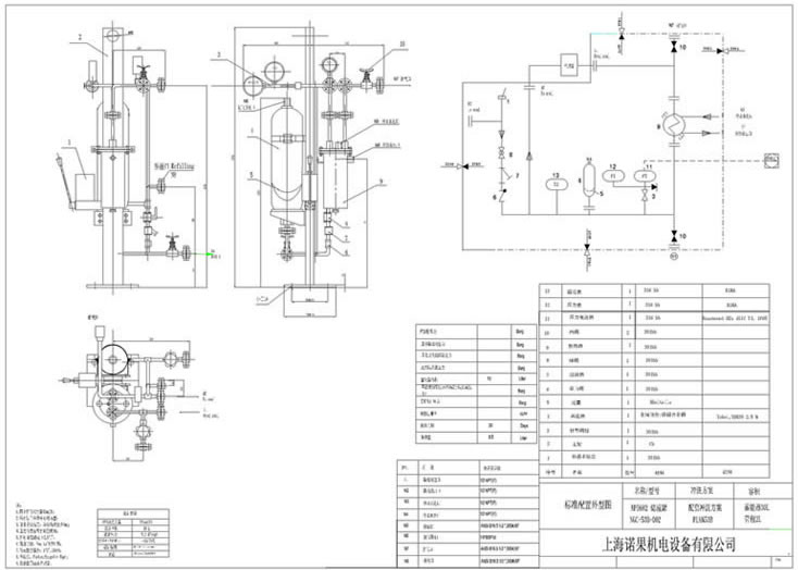
  您现在的位置>>产品介绍>>PLAN53B方案的配置
         
PLAN53B方案的配置
配置:
a) 皮囊式蓄能器
b) 水冷换热器或风冷换热器;
c) 压力表;
d) 压力开关或压力变送器(可选);
e) 温度表;
f) 温度变送器(可选);
g) 加液阀/单向阀、排气阀、排液阀;加液泵(可选);
h) 法兰或螺纹接口
应用实例
               
 


 
版权所有 2017 上海诺果机电设备有限公司 沪公网安备31011602001405号
地址:上海市金山区山阳镇山富东路55弄1号-2
电话:+86-21-34140781   +86-21-33619020   +86-21-33610782 传真:+86-21- 34140782 技术支持:奥韵广告

沪公网安备31011602001405号