首   页
 
关于诺果
 
产品介绍
 
客户服务
 
质量保证
 
技术中心
 
资料下载
 
成功案例
 
联系我们
 
产品介绍 /Products

系列化产品
NGC-系列储液罐
NGH-系列换热器
NG-SYB-系列手动补液泵
NG-BYC-系列补液车
NG-XF-系列旋风分离器
NG-SJ-系列流动视镜
NG-ZJ-系列安装支架
补液漏斗
成套产品
PLAN52方案的配置
PLAN53A方案的配置
PLAN53B方案的配置
NGH-系列换热器的配置
代理产品
代理销售的产品


 


  您现在的位置>>产品介绍>>NG-XF-系列旋风分离器
      
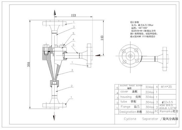
NG-XF-系列旋风分离器
▲说明
NG-XF系列旋风分离器可以用来清洁悬浮液中的杂质和颗粒,将分离后的洁净液体注入密封工作区域或其他需要的场合。
▲设计特点
1.符合JB/T 6633-1993标准;
2.螺纹连接(法兰连接可选);
3.O型圈材料:氟橡胶。
▲参数
1.设计压力:<=12MPa
2.设计温度:<=450℃
3.材质:304SS或316SS
 


 
版权所有 2017 上海诺果机电设备有限公司 沪公网安备31011602001405号
地址:上海市金山区山阳镇山富东路55弄1号-2
电话:+86-21-34140781   +86-21-33619020   +86-21-33610782 传真:+86-21- 34140782 技术支持:奥韵广告

沪公网安备31011602001405号